交换系统的基本功能可概括为连接(Interconnection)功能、接口(Interface)功能、信令/协议(Signaling/protocol)功能、控制(Control)功能,如图11所示,这也反映了交换节点高度抽象的系统结构。

图11 通信交换系统的基本功能
1. 一、连接功能的教学描述
交换的基本功能是在任意的入线和出线之间建立连接,或者说是将入线上的信息分发到出线上去,当然,按照不同交换方式的要求,可以是物理连接,也可以是虚连接。在交换系统中完成这一基本功能的部件就是交换网络(SwitchingNetwork),或称为互连网络(Inter connectionNetwork),也可称为交换机构(Switching Fabric)o因此交换网络是任何交换系统的核心,连接功能是通信交换系统最基本的功能之一。


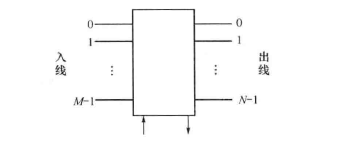
不管交换网络内部结构如何,总可以把它看做一个黑箱,对外的特性只有一组入线和一组出线,入线为信息输入端,出线为信息输出端,如图12所示。其中入线可用0~M—1或1〜M的编号来表示,出线可用0〜N—1或1〜N的编号来表示。若入线数与出线数相等且均为N,则为NXN的对称交换网络。

图12 MXN的交换网络
当有信号到达交换网络的某条入线进行交换时,可以根据出线地址在交换网络内部建立通道,使需交换的信息流从入线沿着已建立的通道流向出线完成交换。通常交换网络内部的通道被称为“连接”,建立内部通道就是建立连接,拆除内部通道就是拆除连接。因此,连接特性是交换网络的基本特性,反映交换网络提供入线到出线的通道的能力。那么,如何描述交换网络的连接特性呢?下面分别从连接集合和连接函数出发来讨论。
1.用连接集合描述交换网络的连接特性
首先,可以把一个交换网络的一组入线和一组出线各看做一个集合,称为入线集合和出线集合,并记为
入线集合:T={0,1,2,…,M—l)
出线集合:R={0,1,2,…,N—1}
定义t€T,即t是T的一个元;r€R即Rt,Rt€R,即Rt是R的一个子集;r是Rt的一个元,则集合
c={t,Rt) (4-1)
为一个连接,其中,t为连接的起点,r€R,为连接的终点,即交换网络的一个连接就是入线集合T中的一个元t与出线集合R中的一个子集Rt,组成的集合。
• 若r€Rt,Rt,中只含有一个元,则称该连接为一点到另一点(简称点到点)连接;
• 若r€Rt,Rt,中含有多个元,则称连接为一点到多点连接。
若一个交换网络可以提供点到多点连接,但Rt≠R,则称其具有同发功能,也可称为多播(Multicast)或组播功能,即从交换网络的一条入线输入的信息可以交换到多条出线上输出;若此时Rt=R,则称该交换网络具有广播(Broadcast)功能.即从交换网络的一条入线输入的信息可以在全部出线上输出。例如,普通的电话通信只需要点到点连接,而像会议电视、有线电视等则需要同发和广播功能。在ATM交换中,由于点对多点宽带通信业务的需要,多播是一项重要而复杂的功能,不同的ATM交换系统可釆用不同的多播方法。
一个具有一组入线和一组出线的交换网络,上述定义的连接可以同时有多个,这就构成了交换网络的连接集合
C={c0,c1,c2,•••,} (4-2)
其中,起点集为
终点集为
特別值得注意的是,这里所说的连接和连接集合应该是对应于某一时刻的。一个正在工作的交换网络.某一时刻处于某种连接集合C,不同时刻的连接是可变的,连接集合也是可变的。一个交换网络可能提供的连接集合的数目越多,它的连接能力就越强。
当某一时刻,一个交换网络正处于连接集合C,若一条入线t€Tc,则称该入线t处于占用状态,否则为处于空闲状态;同理,若一条出线r€Re,则称该出线r处于占用状态,否则为处于空闲状态。
2.用连接函数描述交换网络的连接特性
下面来讨论用连接函数描述交换网络的连接特性。
每一个交换网络都可用一组连接函数来表示,一个连接函数对应一种连接。连接函数表示相互连接的入线编号和出线编号之间的一一对应关系,即存在连接函数f,在它的作用下,入线x与出线f(x)相连接,0≤x≤M-1,0≤f(x)≤N-1。连接函数实际上也反映了入线编号构成的数组和出线编号构成的数组之间对应的置换关系或排列关系。所以连接函数也被称为置换函数或排列函数。另外,从集合角度来讲,一个连接函数反映了入线集合和岀线集合的一种映射关系。
用x表示入线编号变量,用f(x)表示连接函数。通常x用若干位二进制形式来表示,写成,xn-1,xn-2…x1x0,,如x=6可表示X2x1x0=110。则连接函数对应地表示为,(xn-1,xn-2…x1x0)。例如,某一连接函数表示为
则有:δ(000)=000,δ(001)=010,δ(010)=100,...,δ(111)=111;即入线0与出线0相连接,入线1与出线2相连接,入线2与出线4相连接,等,如图13所示。

图13连接函数δ(x2x1x0)=x1x0x2的图形表示
2. 二、连接功能的基本技术
连接功能的实现主要涉及硬件技术.包括拓扑结构、控制方式、阻塞特性和故障防卫等方面的内容,下面分别进行简要说明。
1、 拓扑结构
对于不同的交换系统,具体要求不同,可采用的最佳交换网络就不同。交换网络的拓扑结构是实现连接功能要解决的第一个主要问题,即要在满足交换方式、服务质量和基本参数(如端口数、容量、吞吐量等)的要求下,获得高性能、低成本、便于扩充而控制又不太复杂的拓扑结构。拓扑结构的性能是否符合服务质量(如阻塞率、时延、信元丢失率等)的要求,往往要通过严密的理论计算和/或计算机模拟。
交换网络的拓扑结构大致可以分为时分结构(TimeDivision)和空分结构(SpaceDivi-sion),既可适用于同步时分复用信号,也可适用于统计时分复用信号。
(1) 时分结构
时分结构又包括共享媒体(总线或环)和共享存储器。分组交换和ATM交换都可以采用时分结构。数字程控电话交换通常使用由存储器构成的时分结构,如T接线器;或将时分结构作为整个拓扑结构的一部分,如TST网络;也有采用总线拓扑结构的,如S-1240中的数字交换单元(DSE)。
(2) 空分结构
空分结构是由交换单元构成的单级或多级拓扑结构。“空分”的含义是指在拓扑结构内部存在着多条并行的通路,每条通路仍然可以釆用时分复用的方式。电话交换、快速分组交换、ATM交换都可以采用空分结构。如电话交换中的S接线器、ATM交换中的BANYAN网络等。
2、 控制方式
交换网络的控制方式主要是指选路策略。选路策略主要针对多级拓扑结构,即如何在给定入线和出线后,在交换网络内部建立一条通过多个交换单元的可用的通路。常用的选路策略有:条件选择和逐级选择;自由选择和指定选择。
如果不论交换网络有几级,而要作出全盘观察.在指定的入线与出线之间所有的通路中选用一条可用的通路,就称为条件选择(Conditional Selection),或称为通盘选择;如果不作全盘考察,而是从入线的第一级开始,先选择第一级交换单元的出线,选中一条出线以后再选择第二级交换单元的出线,以此类推,直到最末一级到达出线为止,就称为逐级选择(StageByStageSelection)。
自由选择是指某一级出线可以任意选择,不论从哪一条出线都可以到达所需的交换网络出线;指定选择只能选择某一级出线中指定的一条或一小群,才能到达所需的交换网络出线。
同样的拓扑结构,选路策略不同,交换网络的阻塞率也就不同。选路策略也会影响到控制的复杂性。除了选路策略外,交换网络有时还需要进行一些控制。例如,对于通常的程控电话交换系统的数字交换网络而言,完成选路后只要将所选通路的有关信息写入交换网络的控制存储器,即可实现正常的电路交换。而ATM交换则比较复杂,虚连接建立后,在信息传送阶段仍要对随机到来的信元完成选路控制,还要包括竞争消除、反压控制、队列管理、优先级控制等。
3、 阻塞特性
(1) 阻塞特性的概念
虽然连接在交换网络上的出入线空闲,但由于交换网络的内部阻塞,即交换网络内无法提供空闲通道,造成无法建立呼叫或传送用户信息,这种现象称为阻塞特性。
图14是一个在交换网络中出现内部阻塞的示例。一个nmXnm两级交换网络,第一级有m个nXn的交换单元,第二级有n个mXm的交换单元,第一级同一交换单元的不同编号的出线分别接到第二级不同交换单元的相同编号的入线上。交换网络的nm条入线中的任何一条均可与nm条出线中的任一条接通。

图14 nmxnm两级交换网络
当第一级0号交换单元的0号入线与第二级1号交换单元的rn-1号出线接通时,第一级0号交换单元的任何其他入线都无法再与第二级1号交换单元的其余出线接通。这种出、入线空闲,但因交换网络级间链路被占用而无法接通的现象称为交换网络的内部阻塞。若用计算机的术语,阻塞也可称为冲突,即不同入线上的信息试图同时占用同一条链路。
(2) 有阻塞网络与无阻塞网络
按照阻塞特性可以将交换网络分为有阻塞网络与无阻塞网络(Non-BlockingNet¬work)o无阻塞网络又可分为以下3种。
① 严格无阻塞网络(StrictNon-Blocking)
不管网络处于何种状态,任何时刻都可以在交换网络中建立一个连接,只要这个连接的起点、终点是空闲的,而不会影响网络中已建立起来的连接。
② 可重排无阻塞网络(RearrangeableNon-Blocking)
不管网络处于何种状态,任何时刻都可以在一个交换网络中直接或对已有的连接重选路由来建立一个连接,只要这个连接的起点和终点是空闲的。
③ 广义无阻塞网络(WideSenseNon-Blocking)
指一个给定的网络存在着固有的阻塞可能,但有可能存在着一种精巧的选路方法,使得所有的阻塞均可避免,而不必重新安排网络中已建立起来的连接。
目前真正实用的广义无阻塞网络非常少见。
(3) 不同交换技术的阻塞特性
对于不同的交换技术,阻塞特性的表现不同,下面分别进行简要介绍。
① 电路交换
电路交换建立的是物理连接,只有在呼叫建立阶段有可能选不到空闲通路而遇到阻塞;连接建立后的信息传送阶段就不会再遇到阻塞。遇到阻塞后.呼叫被拒绝,用户需重新发起呼叫’称为损失制系统(Loss System)。
这种交换网络的阻塞特性可用阻塞率(Blocking Probability)表示:
当交换网络的级数较多、拓扑结构复杂时,阻塞率的严格计算也很复杂。阻塞率的计算
是电话交换的话务理论所要解决的一个重要问题。
电话交换通常釆用有阻塞网络,但阻塞率较低,如也可釆用无阻塞网络,如典型的CLOS网络。
② 分组交换
分组交换采用存储转发的方式,交换节点要处理的业务流量较高时,将导致排队时延的增加,因此,称为排队系统或延迟制系统(DelaySystem)。这种系统不考虑阻塞率,但有时也可将等待时延超过门限值的呼叫视为被阻塞的呼叫。
③ ATM交换
对于ATM交换,阻塞特性较为复杂。首先,在虚连接建立阶段遇到的阻塞与电路交换类似,但不同的是.电路交换是物理连接,通路要么空闲要么占用;而ATM交换是基于统计时分复用的虚连接,因此要看通路上是否还存在足够的带宽。其次,在信元传送阶段遇到的阻塞是由于釆用统计时分复用,属于各个连接的信元随机到来而在某个时刻发生了冲突,即不同入线上的信息试图同时占用同一条链路。通常在ATM交换网络中,竞争失败的信元可以在缓冲器中排队等待或予以丢弃。釆用排队策略也会由于缓冲器溢出而丢失信元。这时的阻塞特性主要用信元丢失率(CLR,Cell Loss Rate)来表示:
信元丢失率通常为很小的数值。
通常所说的无阻塞ATM交换网络是指信元传送阶段的无阻塞。而要实现连接建立的无阻塞,原理与电路交换相似,如可用CLOS网络,不过它们所用的无阻塞条件稍有不同。
4.故障防卫
交换网络是交换系统的核心部件,一旦发生故障会影响众多的呼叫连接,甚至导致全系统中断。因此,必须具备有效的故障防卫性能。除了提高硬件的可靠性以外,通常配置双套冗余结构,或采用多平面结构。