光接收机的主要作用是将经过光纤传输的微弱光信号转换成电信号,并放大、再生成原发射的信号。
1. 1. 光接收机的组成
对于强度调制的数字光信号,在接收端釆用直接检测(DD)方式时,光接收机的主要组成如图29所示。它由光电变换、前置放大、均衡滤波、判决、译码、自动增益控制(AGO,时钟恢复及输出接口等几部分构成。

图29 直接检测数字光接收机框图
光电变换的功能是把光信号变换为电流信号,它主要釆用PIN光电二极管或雪崩光电二极管(APD)。
前置放大部分是低噪声、宽频带放大器,它的噪声性能直接影响到接收机灵敏度的高低。
主放大器是一个增益可调的放大器,它把来自前置放大器的输出信号放大到判决电路所需的信号电平。其增益应受AGC信号控制,使入射功率在一定范围变化时,输出信号幅度保持恒定。
均衡滤波部分的作用是将输出波形均衡成具有升余弦频谱,以消除码间干扰。
判决器和时钟恢复电路对信号进行再生。在发送端进行了线路编码,在接收端则需有相应的译码电路。
输出接口主要解决光接收端机和电接收端机之间阻抗和电压的匹配问题,保证光接收端机输出信号顺利地送入电接收端机。
(1)放大电路
光接收机的放大电路包括前置放大器和主放大器。
①前置放大器
光接收机的噪声主要取决于前端的噪声性能。因此,对于前置放大器就要求有较低的噪声和较宽的带宽,才能获得较高的信噪比。前置放大器一般可分为三种:低阻抗前置放大器、高阻抗前置放大器和跨阻抗前置放大器。
低阻抗前置放大器是指放大器的输入阻抗相对较低。其特点是电路简单,接收机不需要或只需很少的均衡就能获得很宽的带宽,前置级的动态范围也较大。但由于放大器的输入阻抗较低,造成电路的噪声较大。
高阻抗前置放大器是指放大器的输入阻抗很高。其特点是电路的噪声很小。但是,放大器的带宽较窄,在高速系统应用时对均衡电路提出了很高的要求,限制了放大器在高速系统的应用。
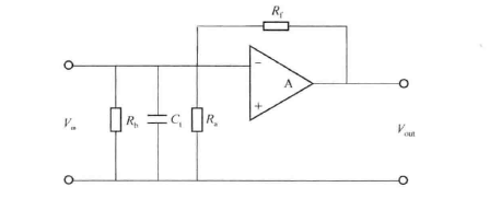
为了克服高阻抗和低阻抗前置放大器的缺点.使前置放大器既有较低的噪声、又有较宽的带宽,在光接收机中广泛采用跨阻抗前置放大器。它是在高阻抗前置放大器中引入负反馈后构成的,如图30所示。由于负反馈的作用,放大器不仅具有频带宽、噪声低的优点,而且它的动态范围也比高阻抗前置放大器有很大改善。

图30 跨阻抗前置放大器
在光纤通信系统中,各部分电路的集成化、模块化是发展的趋势。对于接收机的前端,采用光电混合技术将光检测器和以场效应管(FET)构成的前置放大器混合集成在一起,做成P1N-FET或APD-FET光接收组件,提高了响应速度和灵敏度,在系统中得到了广泛的应用。
②主放大器和自动增益控制(AGC)电路
光接收机中前置放大器的输出信号较弱,不能满足幅度判决的要求,因此还必须加以放大。主放大器一般是多级放大器,可以提供足够的增益,使输出信号满足判决的要求。主放大器的另一功能是增益受控可调,即能实现自动增益控制(AGC),使接收机具有一定的动态范围。
当输入光接收机的光功率起伏时,光检测器的输出信号也出现起伏,通过AGC对主放大器的增益进行调整.从而使主放大器的输出信号幅度在一定范围内不受输入信号的影响。
(2)均衡和再生电路
均衡电路的作用是对经过光纤线路传输、已发生畸变和有严重码间干扰的信号进行均衡,使其变为码间干扰尽可能小的信号,以利于判决再生电路的工作。
对于一个实际的传输系统,其频带总是受限的。对于频带受限系统,其时域响应是无限的,它的输出波形有很长的拖尾,使前后码元在波形上相互重叠而产生码间干扰,直接影响接收机的灵敏度。均衡滤波电路就是 设法消除拖尾的影响,做到判决时刻无码间干扰。
均衡的方法可以在频域采用均衡网络,也可以在时域实现。频域方法是采用适当的网络,将输出波形均衡成具有升余弦频谱,这是光接收机中最常用的均衡方法。时域均衡的方法是先预测出一个“1”码过后,在其他各个码元的判决时刻,这个“1”码的拖尾值,然后设法用与拖尾大小相等、极性相反的电压来抵消拖尾,以消除码间干扰。


再生电路的任务是把放大器输岀的升余弦波形恢复成数字信号,它由判决电路和时钟恢复电路组成。为了判定信号,首先要确定判决的时刻,这需要从均衡后的升余弦波形中提取准确的时钟。时钟信号经过适当的相移后,在最佳时刻对升余弦波形进行取样,然后将取样幅度与判决阈值进行比较,以判定码元是“0"还是“1”,从而把升余弦波形恢复成原传输的数字波形。理想的判决电路应该是带有选通输入的比较器。
2. 2. 光接收机的主要指标
光接收机的主要指标有光接收机的灵敏度和动态范围。
(1) 光接收机的灵敏度
光接收机的灵敏度是指在系统满足给定误码率指标的条件下,接收机所需的最小平均接收光功率P(mW)可以用dBm表示为
影响接收机灵敏度的主要因素是噪声,它包括光检测器的噪声放大器的噪声等。它是系统性能的综合反映。
(2) 光接收机的动态范围
光接收机的动态范围是指在保证系统误码率指标的条件下,接收机的最大允许平均接收光功率Pm*与最小平均接收光功率Pr之差。可以用dB表示为
之所以要求光接收机有一个动态范围,是因为光接收机的输入光信号不是固定不变的,为了保证系统正常工作,光接收机必须具备适应输入信号在一定范围内变化的能力。好的光接收机应有较宽的动态范围。