在国内电话网中使用7号信令方式,要能够与各种随路信令方式 相配合。以下说明与中国1号信令方式以及与CCITT 5号信令方式 的信令配合的几个示例。
1 .国内1号至国内7号信令方式
市话接续的信令配合示例
市话接续的信令配合示例如图3.43所示。可以看出JAM中的 主叫用户类别要从KD信号转换而来。这种转换关系见表3.3。


如果呼叫建立不成功,市话汇接局要将7号信令方式的UBM信 令转换为相应的KB信号,见表3.4。

(2)市话局经发端长话局自动接续的信令配合
图3. 44所示为市话局直达发端长话局去话自动接续的信令配合 示例。KA信号与7号信令IAM和IAI信令中CAT的转换见表3.5。

国内1号至国内7号的信令配合中,对于其它的接续类型,还会出 现KD、KC信号与CAT的转换,不再赘述。
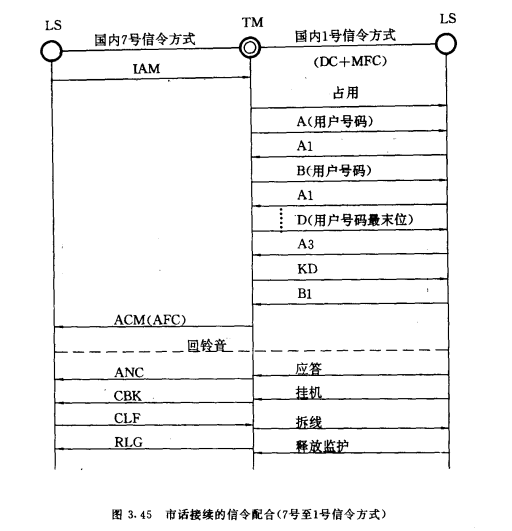
2. a内一7号至国内1号一信令方式
国内7号至国内1号的信令配合,以市话接续为例,示于图&45。KD信号由IAM中的CAT决定。