
随着视频监控技术的广泛应用,采取切实有效的防雷保护措施已是完整监控方案的一个重要部分。总结在各大厦、路桥收费站和监狱等有效防雷实践,根据IEC-TC/81的完整防护体系,对雷电防护的环节分为分流(Dividing)、传导(Conduction)、均压(Bonding),接地(Grounding)、屏蔽(Shielding),前面已做过介绍,这里就不再重复。
结合现代防雷技术,对于大中型视频监控系统,一般从电源线路保护、信号线路保护和完善接地等三方面采取措施。
1. 一、电源系统防雷
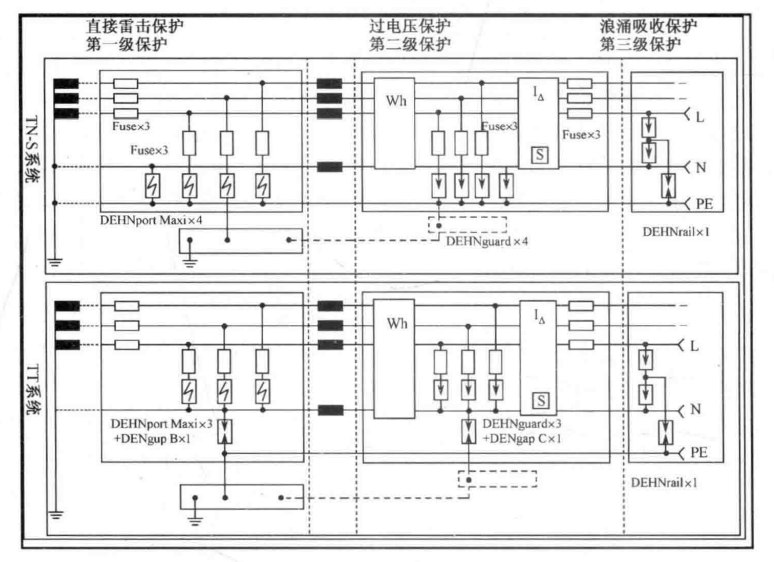
经过防雷分区后,电源线分为三级保护。
(1)第一级电源防雷:其作用是防止直接雷击和强的感应雷。选择第一级电源防雷器,可以采用间隙放电类型的大容量避雷器,一般要求雷电通流容量大于60kA(10/350测试波形),具备阻燃特性。在变压器低压侧(配电框)的每一条L、N线对地并联安装,可采用广州隹锐公司代理的德国DEHN的总电源避雷器DEHNport,或一些性能较高的组合型避雷器箱,如威雷宝RAINBOW系列避雷器的ROWER-FR防雷箱。对于TN系统和TT系统,避雷器的配置和安装线路也有所区别。安装线路图如图1所示。

图1 电源系统防雷安装线路图
(2)第二级电源防雷:其作用是防护局部感应雷击和开关浪涌。对应于第一级防雷器,第二级电源防护的特点是响应速度快(达到25ns的器件级)和低的残压。经过第二级避雷器以后,线路感应雷电流部分反射和入地,残压应降低至1000V数量级,对监控中心机房或分布有监控器材的楼层,已经不具备大的破坏性。
监控中心机房和各露天分散的监控点都属于第二级避雷重点防护的位置,应当确保其在雷雨季节的安全,选用单线模块型避雷器单元,可以根据线路情况灵活配置避雷器的型号、第4章安防视频监控系统前端配套设备数量,使防雷效果和投资兼顾。常用的模块有德国DEHN的DEHNguard、威雷宝的POWER-MA型模块避雷器,电压保护级别在5kA(8/20测试波形)时一般不超过1.25kV,且雷电通流量最大可达40kA。当第一级与第二级之间的线距较近时,应采取适当的退耦器件,以使各级避雷器的能量配合与响应速度等达到匹配。
(3)第三级电源防雷:其作用是精细保护重要设备。当设备机房有需要精细保护的重要设备时,可以考虑为这些抗过压能力较弱的敏感电子设备增加第三级精细防护,这样可以进一步将可能到达设备端的尖峰电压衰减,同时滤除电噪声。此级可供选用的防雷器种类很多,典型的有DEHN的DEHNrail系列低压避雷器。有的质量较好的防雷专用插座也具备第三级的防雷效能,应视其测试参数和实际的高低压工艺性能灵活选用。总之,在电源输入端一定要加装电源避雷器,因为雷电冲击波能量很容易从供电线路侵入并损坏电源设备,甚至损坏整个设备或系统。对雷害事故分析也表明在雷害事故中70%~80%是从供电线路进入的,所以电源线路防雷是电子设备乃至整个系统防雷的最重要环节。
2. 二、信号系统防雷
视频监控系统的低压信号分布较广,应当对不同的信号线路配置相应的避雷器。一般,大量的视频信号线路是防护的重点,而低电压的线路(如云台控制线、编解码器信号线、低压电源线路)内阻一般较低,应采用低压快速响应类型的氧化锌避雷器或半导体多路控制线路避雷器。这里主要介绍视频线路避雷器的使用,如表1所示。
| 表1 视频设备避雷保护器 | |||||||
| 型号 | RB/BNC-VIDEOa | RB/BNC-VIDEOb | RB/BNC-VIDEOc | RB/BNC-VIDEO/4/8/24 | BR/TV-RF | RB/TV-F | |
| 额定运行电压 | Ur | 5V | 5V | 30V | 30V | ||
| 最大持续运行电压(8/20) | Uc | 8V | 8V | 65V-/~ | 65V-./- | ||
| 最大持续运行电流 | ie | — | 3A | ||||
|
脉冲放电电流 (8/20) |
ir |
L/SG:5kA SG/PE:5kA |
L/SG:10kA SG/PE:10kA |
L/SG:20kA SG/PE:20kA |
L/SG:10kA SG/PE:10kA |
L/PE:10Ka,SG/PE:10kA | |
| 1kv/us保护级 | Us | <24V | <80V | ||||
| 最大功率传输 | Pm | 5W | 90W | ||||
| 工作频率 | fG | <150MHz(-3dB,75Ω) | 47~1600MHz(-1.5dB,75Ω) | ||||
| 响应时间 | ta | ≤1ns | ≤1ns | ||||
| 最大分布电容 | C | <40pF | <30pF | ||||
| 插入阻抗 | Rin | ≤2.2Ω | — | ||||
| 插入损耗 | as | ≤0.5dB(100MHz) | ≤1.6dB(500MHz) | ||||
| 工作温度范围 | ν | -35℃~+80℃ | -40℃~+90℃ | ||||
| 接口类型 | BNC接头 | RF | F | ||||
国内流行的视频避雷器大多都是采用粗细保护合二为一的类型。对于各种模拟信号摄像机来说,75Ω的BNC接头的避雷器是最安全方便的选择。暴露在户外的摄像机最容易遭受信号线路的感应雷击而导致损坏。安装于摄像机视频输出端口的BNC接口避雷器采用ps(10-12s)级别响应速度的耐冲击器件,可以将端口的感应残余电压降低到几十伏,冲击波能量衰减至较低的水平。威雷宝的视频专用避雷器RB/BNC-VIDEO体积小巧(60mmx26mmx26mm),可灵活安装于防护罩内,且在较高的工作频率下对信号影响极小。当应用于保护图像矩阵、分割器等多路信号集中的情况时,需要将多路避雷器组合使用,达到方便布线和真正有效地防雷。
RB/BNCVIDEOa/b/c等是针对保护视频传输系统和视频监控系统设计的,它采用BNC连接方式,非常适合与摄像头、视频图像分配、切换、画面分割、录像机、监视器等视频设备的连接,如图2所示。

图2 视频监控设备安装示意图
有G标志的是保护器的接地连接,应使其可靠接地,方可保证其防雷效果。
9RB/BNC-VIDEO4/8/24分别是4路、8路、24路视频信号避雷器,它是在RB/BNC-VIDEO6的基础上,使多路信号保护整合而成的,非常适合在多路信号集中的视频设备中使用。
通常,在每个终端解码器与矩阵主机的连线上串连信号避雷器,尤其是使用室外终端解码器时,必须采用避雷器。一般,在加装避雷器时每路最好要加装两个:一个靠近主机,另一个靠近解码器处。
在使用室外摄像机时,最好在每个室外摄像机与矩阵主机的视频线上,串接电视摄像头避雷器,并在靠近矩阵主机和靠近摄像机的地方分别安装一只避雷器。对于多媒体计算机与控制键盘,考虑它们与主机的距离不太远,也可以不加装避雷器,但如果它们与主机的距离比较远,则应加装避雷器保护。
提请安装注意的是:接地传导体必须与用电器外壳地端连接,避雷器接地连接线(有G标志)在保证可靠接地时,应尽可能缩短其接线长度;信号保护接地与雷击引下线接地系统相互独立,则安装本产品无须改变原系统接地布置方式(一点接地);有G标志的黑色引线与保护地可靠连接,然后将避雷器的“IN”端与信号传输线连接,“OUT”端与需要保护的设备连接,这样就可发挥其保护作用。
公共天线系统及其接收设备,都是室外感应雷电脉冲串入设备的主要途径。TV-F是公用天线系统干线型避雷器,带F接头和转接线;RB/TV-RF是家用型电视接收天线插座用,有RF接头和转接线,它可直接安装于电视机信号输入端(参见图2)。
3. 三、线路屏蔽和外部防雷接地系统
(1)从最佳防雷效果的角度来讲,所有信号线路最好能套金属线槽、线管,并将屏蔽线槽良好接地。
(2)视频监控系统的整个布线范围应处于该系统所在位置避雷针的保护范围内,如果有较分散的摄像机可能受到直接雷击,应"'I首先对其防直接雷击系统进行改造完善后,再进一步对其实施防感应雷方案。
(3)视频监控系统接地一般采用联合接地方式,即将各种地线(防雷地、交流工作地、避雷器保护地等)连接到同一地网上,以防止各种可能的地电位反击。当然,如果有条件设置专用保护接地,能进一步防止交流工频干扰,但一定要将专用接地和防雷接地之间设置间隙型共地连接器。
(4)接地电阻越小越好,一般要求小于4Ω。