1.

2. 一、解码器的抗干扰
由于终端解码器中有继电器、可控硅等开关器件,其闭合、断开时,容易对接收解码器的微机部分产生干扰;此外,终端接收解码器附近大型设备的起动和关断,也容易引起对微机的干扰等。这种干扰的结果,虽然没有损坏终端解码器的硬件,但可使程序执行出错,且进入死循环,不经复位,就回不到正常状态,而产生所谓“软件故障”。为了防止这种干扰,常常采取下列预防措施:
(1)交流电源滤波,滤波电路如图1所示,其中图1(b)的效果较好。

图1 交流电源滤波
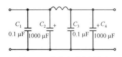
(2)直流电源去耦滤波,如图2所示。

图2 直流电源去耦滤波
图中C1和C3是容量为0.01~0.1μF的瓷片电容,C2和C4是容量为100~1000μF的电解电容。
(3)单片微机及其附加电路的电源线和地线直接接到电源滤波电容,不要和继电器驱动电路的电源线和地线交迭,如图3所示。

图3 直流电源线及地线不交迭
(4)继电器线包上接反向偏置二极管防止继电器线包的反电势,继电器触点两端接0.068~0.1μF电容器,防止继电器触点接通和断开时产生电弧放电影响微机工作。这里要注意电容器耐压值要大于触点断开时两点电压值的数倍。
值得指出的是,无论采取上述何种抗干扰措施,只能减少软件故障产生的次数,但要完全消除软件故障是不可能的。
3. 二、自动复位
由于终端解码器在摄像机附近,离控制器很远,而无法进行按钮复位。若采用关断接收解码器总电源的方法既不易奏效,又给使用者带来不便,因此必须设置自动复位。这种自动复位,通常有硬件自动复位和软件故障诊断自动复位两种。
(1)硬件自动复位。有硬件定时自动复位和利用串行控制信号产生复位信号两种方法,前者是利用定时器每隔一固定时间对CPU复位一次。显然,这种方法比较简单,但其缺点是复位可能会发生在接收串行信号的过程中,从而使得该次接收失败。后者是利用串行控制信号来产生复位信号,但要求两次串行控制信号之间要有一定的时间间隔。
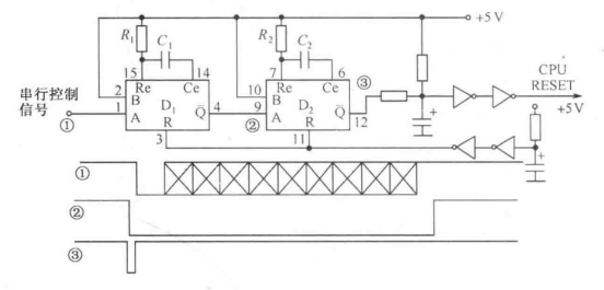
利用串行控制信号产生复位脉冲的实用电路如图4所示。

图4 利用串行控制产生复位脉冲的电路
图中第一个单稳态触发器D1是不可重触发单稳74LS221。它的外接电阻R1、电容C1要保证0.7的R1C1大于串行控制信号周期。这样,在D1的A端接串行控制信号,在D1的Q端输出一个宽度大于串行控制信号的负脉冲。这两个信号波形,如图4下部波形图①、②所示。第二个单稳触发器D2是74LS221的另一半,它的外接电阻R2、外接电容C2要使0.7R2C2等于复位脉冲要求的宽度,这样将使D2的Q端的宽脉冲变成窄脉冲,在D2的Q端输出,去复位CPU。要求复位脉冲宽度要尽可能窄,不要影响CPU接收串行信号。利用这种方法,在每次接收串行控制信号前复位CPU,实际效果很好。它最适用于终端解码器CPU,只有接收串行控制信号并解码、驱动这一任务,而没有其他工作任务的场合。
(2)软件故障诊断自动复位。当终端解码器CPU还有检测、计算等多种任务时,上述利用串行控制信号产生复位脉冲的方法,会使检测、计算出错,因此需要采用软件故障诊断复位。即要求在程序的各个可能的支路,都安排一条能使某输出口某一位输出一个正(或负)脉冲的指令。在程序正常执行时,每隔一定的时间总会执行这一条指令,使该位不断地输出正脉冲。当程序执行进入异常状态时,该位没有正脉冲输出,超过一定时间,判别电路就会输岀一复位信号使CPU复位,从而使程序执行又恢复正常。
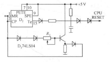
一种故障诊断复位电路如图5所示。

图5 故障诊断复位电路
用三个反向门接成一个振荡器,图中电位器用来调节振荡器的频率,四位二进制计数器(74LS161)对这一振荡器的输出进行计数。程序执行正常时,输入正脉冲不断地对D2进行清除,进位输出TC就不会计满输出。当产生软件故障时,就没有正脉冲对D2进行清除,D2计满,TC输出对CPU进行复位,使程序执行恢复正常。有些CPU,如单片机8096,就具有监视跟踪定时器,它就是把软件故障诊断复位电路,集成在单片机上的。